Air tightness window
to class 3 (600Pa), EN 12207
Watertightness
class 4A (150Pa), EN 12208
Wind tightness
to class C2/B4/A5, EN 12210
Resistance to repeated opening and closing
class 8, 1,000,000 cycles (in both directions), EN 12400

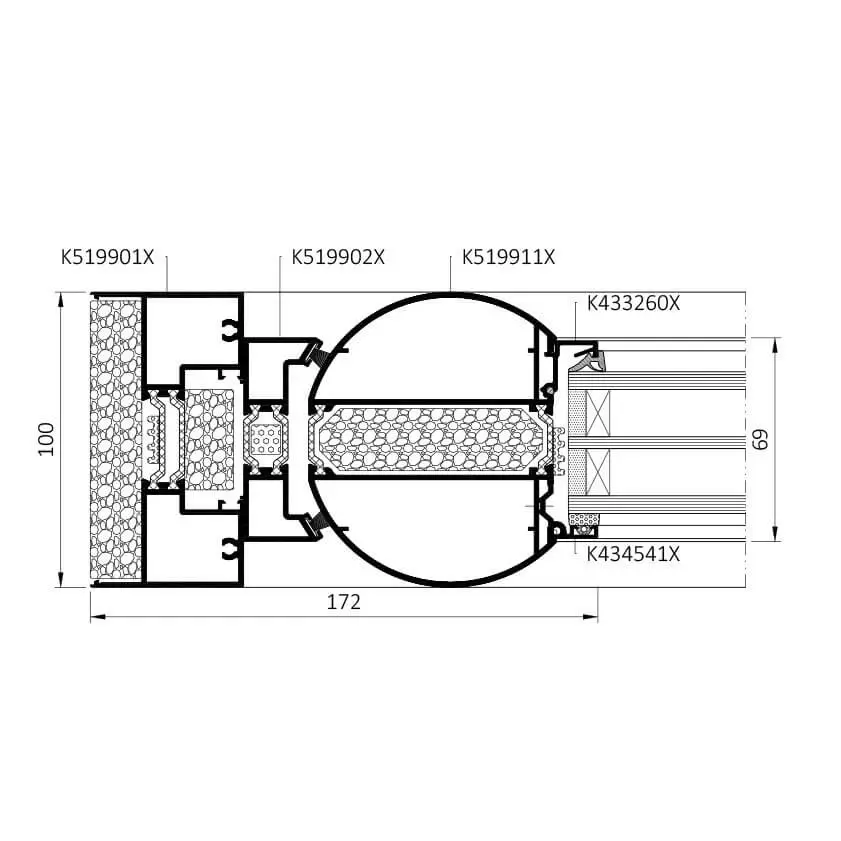
The new, thermally broken Ground Floor Treatment system from Aluprof is mainly used for entrances on the ground floor, wherever enhanced thermal insulation and mechanical durability is required. The MB-100GFT will be appreciated by anyone looking for a door & shopfront system with a robust construction that is resistant to repeated and intensive use. The Ground Floor Treatment system is designed for fabricating single and double doors as well as a shopfront system. The key advantages of the system include class leading thermal insulation, simplicity of fabrication, clean aesthetics and safety in use. The MB-100GFT doors feature as standard a low-level Part M compliant threshold, a concealed transom closer and an anti finger trap profile option for the hinge side. Doors can be inward, outward or dual action for operating intention. The system is available in two thermal variants which differ in terms of their performance; the basic ST variant and the SI variant which includes enhanced insulation, this is achieved with the inclusion of enhanced thermal inserts. Furthermore the modular construction fabrication process is quick and simple, reducing lead times for delivery and installation.
Features & benefits of the construction:





